
| 螺丝可调复合滚轮轴承 Axial adjustable Combined Roller Bearings by screws |
|||||||||||||||||||
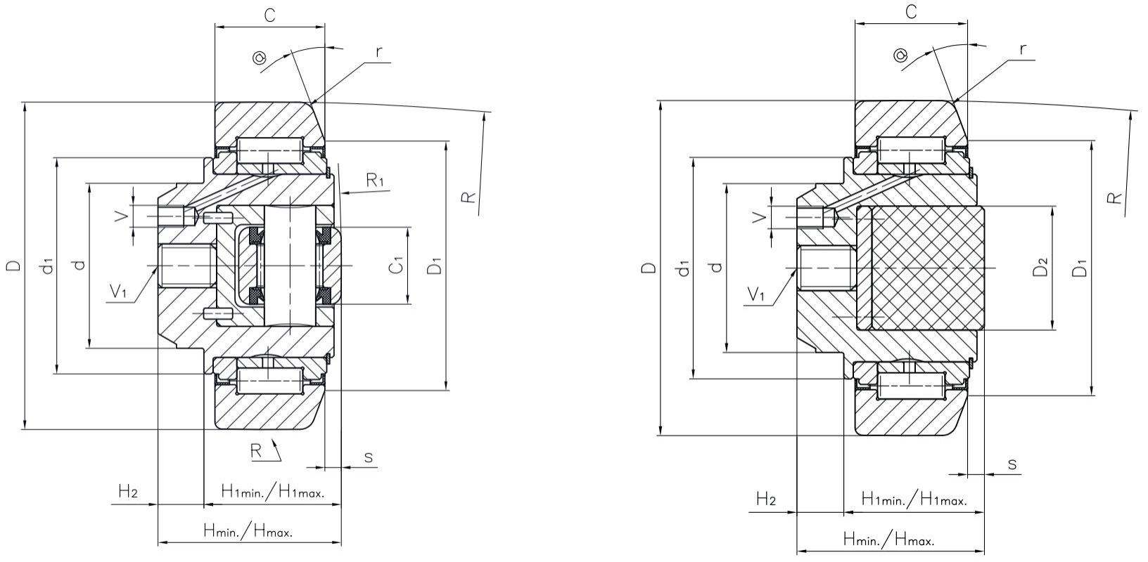
| 型号 Model |
外形尺寸 (mm) BOUNDARY DIMENSIONS (mm) |
载荷(KN) RATING (KN) |
重量 (KG) WEIGHT (KG) |
铁板 Flange plates |
配套导轨 Profiles standard |
||||||||||||||
| Italy | d | D | C | Hmin | Hmax | H1min | H1max | H2 | d1 | D1 | C1 | D2 | C | C0 | CA | C0A | |||
| MR961/F | 30 | 62 | 20 | 37.5 | 39.5 | 30.5 | 32.5 | 7 | 42 | 50 | 26 | 39 | 65 | - | - | 0.52 | AP0 | 0 NbV | |
| MR962/F | 35 | 70.1 | 23 | 39 | 41 | 32 | 34 | 7 | 48 | 57 | 30 | 56 | 93 | - | - | 0.6 | AP1 | 1 NbV | |
| MR963/F | 40 | 77.7 | 23 | 40.7 | 42.7 | 31.7 | 33.7 | 9 | 54 | 61 | 30 | 58 | 101.5 | - | - | 0.82 | AP2 | 2 NbV | |
| MR964 | 45 | 88.9 | 30 | 48.5 | 51 | 36.5 | 39 | 12 | 59 | 68 | 21 | 33 | 84 | 133 | 14.7 | 22 | 1.43 | AP3.1 | 3 NbV |
| MR965 | 50 | 101.9 | 28 | 46 | 48.5 | 33 | 35.5 | 13 | 66 | 77 | 21 | 33 | 91 | 153 | 14.7 | 22 | 1.7 | 3100 NbV | |
| MR966 | 55 | 107.7 | 31 | 53.5 | 56.5 | 41.5 | 44.5 | 12 | 71 | 82 | 30 | 42 | 94 | 162 | 25.5 | 40 | 2.45 | AP4 | 4 NbV |
| MR967 | 60 | 123 | 33 | 61.5 | 64.5 | 49.5 | 52.5 | 12 | 78 | 94 | 30 | 42 | 134 | 211 | 25.5 | 40 | 3.5 | AP4 | 5 NbV |
| MR968 | 60 | 149 | 43 | 75.5 | 79 | 58.5 | 62 | 17 | 103 | 116 | 45 | 63 | 179 | 353 | 48 | 87 | 6.5 | AP6 | 6 NbV |
Changzhou Tianyuda Bearing Co., Ltd., established in2018,specializes in the production ofconventionnalcomposite roller bearings, ono-standardCustomized compositte rollers, as well as regularrollers. After years of effort and development, it hasreached a certain scale and strength.
Copyright @ 2018-2025 PbootCMS All Rights Reserved. Designed by:zzw