


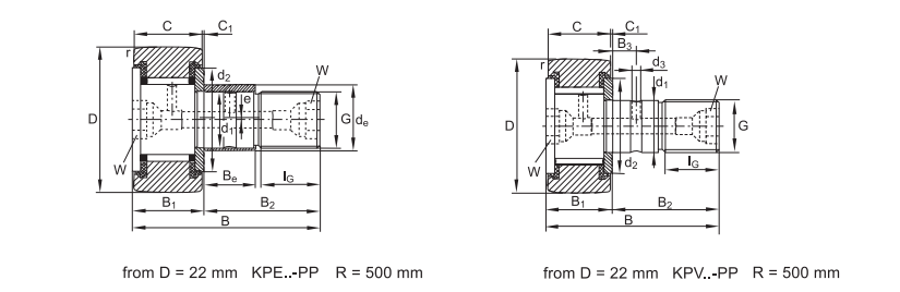
1) Relubrication hole onle on the flange-side end face with slot for countertensioning during fiting.法兰端为一字槽带润滑油孔,可再润滑。
2) Hexagonal socket only on the flange-side end face. No relubrication facility.法兰端为六角孔,不能再润滑。
· For cylindrical outer race, add the suffix"X".e.g. KR22PPX外圈如是圆柱面的加后辍"X",例如:KR22PPX
| KR/KRV/KRE 系列滚轮轴承 单位:mm KR/KRV/KRE Series Track Roller Bearings :mm | |||||||||||||||||||||||||||
| 型号 | 外形尺寸 | 外形尺寸 | 油嘴 | 螺母拧紧 扭矩 |
基本额定载荷 | 极限疲劳载荷 | 极限转速 | ||||||||||||||||||||
| DESIGNATION | BOUNDARY DIMENSIONS | BOUNDARY DIMENSIONS | Drive fit lubricationnipple |
Nut tighteningtorque MA Nm |
BASIC LOADING RATINGS (KN) |
Fatigue limit load (KN) |
Speed Limited |
||||||||||||||||||||
| 不带偏心套 Without eccentric collar |
质量 MASS(Kg) |
带偏心套 With eccentric collar |
质量 MASS(Kg) |
D | d1 h7 |
B | B1 max. |
B2 | B3 | C | C1 | r min. |
d2 | d3 | G | IG | W | Eccentric corrlar 偏心套 | 动态 | 静态 | Curw | npG min-1 |
|||||
| de h9 |
Be | e | dyn. Cr w |
stat. Cor w |
|||||||||||||||||||||||
| KR161) | 0.019 | - | 16 | 6 | 28 | 12.2 | 16 | - | 11 | 0.6 | 0.15 | 12.5 | - | M6(X1) | 8 | - | - | - | - | NIPA1 | 3 | 3.150 | 3.300 | 0.415 | 14000 | ||
| KR16-PP1) | 0.018 | KRE16-PP1) | 0.020 | 16 | 6 | 28 | 12.2 | 16 | - | 11 | 0.6 | 0.15 | 12.5 | - | M6(X1) | 8 | - | 9 | 7 | 0.5 | NIPA1 | 3 | 3.150 | 3.300 | 0.415 | 14000 | |
| KR16-SK-PP2) | 0.019 | - | 16 | 6 | 28 | 12.2 | 16 | - | 11 | 0.6 | 0.15 | 12.5 | - | M6(X1) | 8 | 4 | - | - | - | - | 3 | 3.150 | 3.300 | 0.415 | 14000 | ||
| KRV16-PP1) | 0.019 | - | 16 | 6 | 28 | 12.2 | 16 | - | 11 | 0.6 | 0.15 | 12.5 | - | M6(X1) | 8 | - | - | - | - | NIPA1 | 3 | 4.900 | 6.500 | 0.860 | 3800 | ||
| KR191) | 0.029 | - | 19 | 8 | 32 | 12.2 | 20 | - | 11 | 0.6 | 0.15 | 15 | - | M8(X1.25) | 10 | - | - | - | - | NIPA1 | 8 | 3.500 | 3.900 | 0.485 | 11000 | ||
| KR19-PP1) | 0.029 | KRE19-PP1) | 0.032 | 19 | 8 | 32 | 12.2 | 20 | - | 11 | 0.6 | 0.15 | 15 | - | M8(X1.25) | 10 | - | 11 | 9 | 0.5 | NIPA1 | 8 | 3.500 | 3.900 | 0.485 | 11000 | |
| KR19-SK-PP2) | 0.029 | - | 19 | 8 | 32 | 12.2 | 20 | - | 11 | 0.6 | 0.15 | 15 | - | M8(X1.25) | 10 | 4 | - | - | - | - | 8 | 3.500 | 3.900 | 0.485 | 11000 | ||
| KRV19-PP1) | 0.031 | - | 19 | 8 | 32 | 12.2 | 20 | - | 11 | 0.6 | 0.15 | 15 | - | M8(X1.25) | 10 | - | - | - | - | NIPA1 | 8 | 5.400 | 7.900 | 1.040 | 3100 | ||
| KR22 | 0.045 | - | 22 | 10 | 36 | 13.2 | 23 | - | 12 | 0.6 | 0.3 | 17.5 | - | M10X1 | 12 | 5 | - | - | - | NIPA1X4.5 | 15 | 4.500 | 5.200 | 0.650 | 8000 | ||
| KR22-PP | 0.043 | KRE22-PP | 0.047 | 22 | 10 | 36 | 13.2 | 23 | - | 12 | 0.6 | 0.3 | 17.5 | - | M10X1 | 12 | 5 | 13 | 10 | 0.5 | NIPA1X4.5 | 15 | 4.500 | 5.200 | 0.650 | 8000 | |
| KRV22-PP | 0.045 | - | 22 | 10 | 36 | 13.2 | 23 | - | 12 | 0.6 | 0.3 | 17.5 | - | M10X1 | 12 | 5 | - | - | - | NIPA1X4.5 | 15 | 6.200 | 9.100 | 1.110 | 2600 | ||
| KR26 | 0.059 | - | 26 | 10 | 36 | 13.2 | 23 | - | 12 | 0.6 | 0.3 | 17.5 | - | M10X1 | 12 | 5 | - | - | - | NIPA1X4.5 | 15 | 5.100 | 6.200 | 0.770 | 8000 | ||
| KR26-PP | 0.057 | KRE26-PP | 0.062 | 26 | 10 | 36 | 13.2 | 23 | - | 12 | 0.6 | 0.3 | 17.5 | - | M10X1 | 12 | 5 | 13 | 10 | 0.5 | NIPA1X4.5 | 15 | 5.100 | 6.200 | 0.770 | 8000 | |
| KRV26-PP | 0.059 | - | 26 | 10 | 36 | 13.2 | 23 | - | 12 | 0.6 | 0.3 | 17.5 | - | M10X1 | 12 | 5 | - | - | - | NIPA1X4.5 | 15 | 7.300 | 11.300 | 1.380 | 2600 | ||
| KR30 | 0.092 | - | 30 | 12 | 40 | 15.2 | 25 | 6 | 14 | 0.6 | 0.6 | 23 | 3 | M12X1.5 | 13 | 6 | - | - | - | NIPA1X4.5 | 22 | 6.800 | 8.400 | 1.070 | 5500 | ||
| KR30-PP | 0.088 | KRE30-PP | 0.093 | 30 | 12 | 40 | 15.2 | 25 | 6 | 14 | 0.6 | 0.6 | 23 | 3 | M12X1.5 | 13 | 6 | 15 | 11 | 0.5 | NIPA1X4.5 | 22 | 6.800 | 8.400 | 1.070 | 5500 | |
| KRV30-PP | 0.091 | - | 30 | 12 | 40 | 15.2 | 25 | 6 | 14 | 0.6 | 0.6 | 23 | 3 | M12X1.5 | 13 | 6 | - | - | - | NIPA1X4.5 | 22 | 9.500 | 14.600 | 1.840 | 2100 | ||
| KR32 | 0.103 | - | 32 | 12 | 40 | 15.2 | 25 | 6 | 14 | 0.6 | 0.6 | 23 | 3 | M12X1.5 | 13 | 6 | - | - | - | NIPA1X4.5 | 22 | 7.100 | 8.900 | 1.140 | 5500 | ||
| KR32-PP | 0.098 | KRE32-PP | 0.104 | 32 | 12 | 40 | 15.2 | 25 | 6 | 14 | 0.6 | 0.6 | 23 | 3 | M12X1.5 | 13 | 6 | 15 | 11 | 0.5 | NIPA1X4.5 | 22 | 7.100 | 8.900 | 1.140 | 5500 | |
| KRV32-PP | 0.101 | - | 32 | 12 | 40 | 15.2 | 25 | 6 | 14 | 0.6 | 0.6 | 23 | 3 | M12X1.5 | 13 | 6 | - | - | - | NIPA1X4.5 | 22 | 10.000 | 15.800 | 1.990 | 2100 | ||
| KR35 | 0.173 | - | 35 | 16 | 52 | 19.6 | 32.5 | 8 | 18 | 0.8 | 0.6 | 27.6 | 3 | M16X1.5 | 17 | 8 | - | - | - | NIPA2x7.5 | 58 | 9.800 | 14.100 | 1.700 | 3600 | ||
| KR35-PP | 0.164 | KRE35-PP | 0.177 | 35 | 16 | 52 | 19.6 | 32.5 | 8 | 18 | 0.8 | 0.6 | 27.6 | 3 | M16X1.5 | 17 | 8 | 20 | 14 | 1 | NIPA2x7.5 | 58 | 9.800 | 14.100 | 1.700 | 3600 | |
| KRV35-PP | 0.166 | - | 35 | 16 | 52 | 19.6 | 32.5 | 8 | 18 | 0.8 | 0.6 | 27.6 | 3 | M16X1.5 | 17 | 8 | - | - | - | NIPA2x7.5 | 58 | 12.800 | 23.000 | 2.900 | 1600 | ||
| KR40 | 0.247 | - | 40 | 18 | 58 | 21.6 | 36.5 | 8 | 20 | 0.8 | 1 | 31.5 | 3 | M18X1.5 | 19 | 8 | - | - | - | NIPA2x7.5 | 87 | 10.900 | 15.500 | 1.850 | 2900 | ||
| KR40-PP | 0.239 | KRE40-PP | 0.255 | 40 | 18 | 58 | 21.6 | 36.5 | 8 | 20 | 0.8 | 1 | 31.5 | 3 | M18X1.5 | 19 | 8 | 22 | 15 | 1 | NIPA2x7.5 | 87 | 10.900 | 15.500 | 1.850 | 2900 | |
| KRV40-PP | 0.247 | - | 40 | 18 | 58 | 21.6 | 36.5 | 8 | 20 | 0.8 | 1 | 31.5 | 3 | M18X1.5 | 19 | 8 | - | - | - | NIPA2x7.5 | 87 | 14.800 | 26.500 | 3.050 | 1400 | ||
| KR47-PP | 0.381 | KRE47-PP | 0.400 | 47 | 20 | 66 | 25.6 | 40.5 | 9 | 24 | 0.8 | 1 | 36.5 | 4 | M20X1.5 | 21 | 10 | 24 | 18 | 1 | NIPA2x7.5 | 120 | 15.500 | 25.500 | 3.000 | 2400 | |
| KRV47-PP | 0.390 | - | 47 | 20 | 66 | 25.6 | 40.5 | 9 | 24 | 0.8 | 1 | 36.5 | 4 | M20X1.5 | 21 | 10 | - | - | - | NIPA2x7.5 | 120 | 20.600 | 42.000 | 5.200 | 1300 | ||
| KR52-PP | 0.454 | KRE52-PP | 0.473 | 52 | 20 | 66 | 25.6 | 40.5 | 9 | 24 | 0.8 | 1 | 36.5 | 4 | M20X1.5 | 21 | 10 | 24 | 18 | 1 | NIPA2x7.5 | 120 | 16.700 | 29.000 | 3.400 | 2400 | |
| KRV52-PP | 0.463 | - | 52 | 20 | 66 | 25.6 | 40.5 | 9 | 24 | 0.8 | 1 | 36.5 | 4 | M20X1.5 | 21 | 10 | - | - | - | NIPA2x7.5 | 120 | 22.600 | 48.000 | 5.900 | 2300 | ||
| KR62-PP | 0.770 | KRE62-PP | 0.798 | 62 | 24 | 80 | 30.6 | 49.5 | 11 | 29 | 0.8 | 1 | 44 | 4 | M24X1.5 | 25 | 14 | 28 | 22 | 1 | NIPA3x9.5 | 220 | 26.500 | 48.000 | 6.100 | 1900 | |
| KRV62-PP | 0.787 | - | 62 | 24 | 80 | 30.6 | 49.5 | 11 | 29 | 0.8 | 1 | 44 | 4 | M24X1.5 | 25 | 14 | - | - | - | NIPA3x9.5 | 220 | 34.000 | 75.000 | 9.800 | 1100 | ||
| KR72-PP | 1.010 | KRE72-PP | 1.038 | 72 | 24 | 80 | 30.6 | 49.5 | 11 | 29 | 0.8 | 1.1 | 44 | 4 | M24X1.5 | 25 | 14 | 28 | 22 | 1 | NIPA3x9.5 | 220 | 28.000 | 53.000 | 6.700 | 1900 | |
| KRV72-PP | 1.027 | - | 72 | 24 | 80 | 30.6 | 49.5 | 11 | 29 | 0.8 | 1.1 | 44 | 4 | M24X1.5 | 25 | 14 | - | - | - | NIPA3x9.5 | 220 | 36.500 | 85.000 | 11.100 | 1100 | ||
| KR80-PP | 1.608 | KRE80-PP | 1.665 | 80 | 30 | 100 | 37 | 63 | 15 | 35 | 0.8 | 1.1 | 53 | 4 | M30X1.5 | 32 | 14 | 35 | 29 | 1.5 | NIPA3x9.5 | 450 | 39.000 | 77.000 | 9.900 | 1300 | |
| KRV80-PP | 1.636 | - | 80 | 30 | 100 | 37 | 63 | 15 | 35 | 1 | 1.1 | 53 | 4 | M30X1.5 | 32 | 14 | - | - | - | NIPA3x9.5 | 450 | 49.500 | 117.000 | 15.300 | 850 | ||
| KR90-PP | 1.975 | KRE90-PP | 2.032 | 90 | 30 | 100 | 37 | 63 | 15 | 35 | 1 | 1.1 | 53 | 4 | M30X1.5 | 32 | 14 | 35 | 29 | 1.5 | NIPA3x9.5 | 450 | 41.000 | 83.000 | 10.600 | 1300 | |
| KRV90-PP | 2.003 | - | 90 | 30 | 100 | 37 | 63 | 15 | 35 | 1 | 1.1 | 53 | 4 | M30X1.5 | 32 | 14 | NIPA3x9.5 | 450 | 52.000 | 129.000 | 16.900 | 850 | |||||
Changzhou Tianyuda Bearing Co., Ltd., established in2018,specializes in the production ofconventionnalcomposite roller bearings, ono-standardCustomized compositte rollers, as well as regularrollers. After years of effort and development, it hasreached a certain scale and strength.
Copyright @ 2018-2025 PbootCMS All Rights Reserved. Designed by:zzw